Tryskový difúzor JET s manuálnym nastavením.K dispozícii v RAL9016.Oblasť použitia.Dúchadlo JET na vháňanie horúceho a studeného vzduchu používané vo ventilačných a klimatizačných systémoch, kde sa vyžaduje vysoká požiadavka na vzdialenosť a nízka hladina hluku.Uhol prúdenia je možné nastaviť manuálne podľa potreby chladenia alebo vykurovania
Materiál
- Hliník
Farba
- Biela, RAL9016
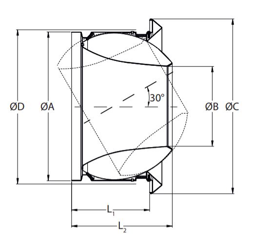
Dizajn
- Difúzor JET je možné manuálne nastaviť o 30 ° vo všetkých smeroch
Inštalácia
- Inštalácia do steny alebo do obdĺžnikového potrubia pomocou skrutiek
- Rám krytu je možné odstrániť otočením o štvrtinu otáčky, aby ste sa dostali k upevňovacím skrutkám
- Umiestnenie na kruhový vzduchovod ako odbočka so sedlom ARG a profilovým spínačom MDV alebo priamo na kruhový vývod




