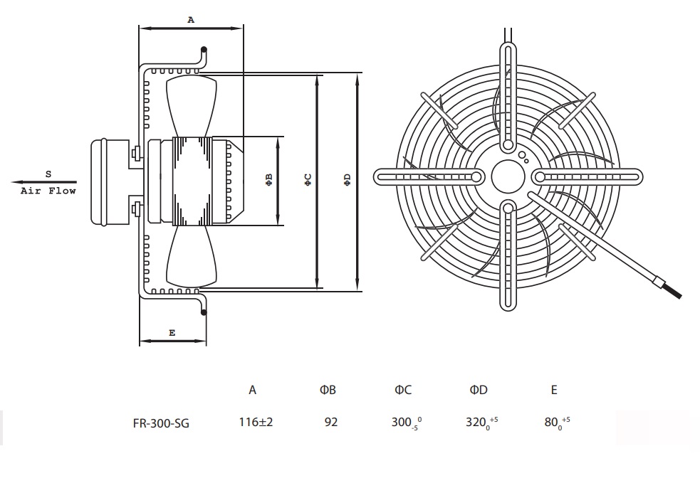
Axiálne ventilátory nasávacie nástenné REVENTON FR-SG-300 výkon 1850m3/h sú zariadenie so širokým spektrom použitia výkon 1850m3/h v oblasti vzduchotechnických systémov. Jeho konštrukcia umožňuje efektívne nasávanie použitého vzduchu dovnútra budovy. Ventilátor z našej ponuky sa vyznačuje nielen moderným dizajnom, ale predovšetkým solídnym spracovaním. Ideálne pre zariadenia ako sú: výrobné haly, sklady, skleníky, dielne, obchody a športové zariadenia.Oceľové čepele. Práškovo lakovaná pozinkovaná ochranná sieť,
moderný dizajn.Puzdro: pozinkovaná oceľová drôtená sieť s práškovým nástrekom.Určené pre montáž na stenu.
Lopatky vyrobené z kovu.







